Print current pageProduct Description
- brief introduction
- technical parameter
- Product size
Application
ZMH3-100 series switch disconnector is operating in the distribution and control circuit of AC50Hz, rated working voltage 230V and below, also used to control various asynchronous motors, electric appliances or lighting device with small capacity, widely in mineral enterprises, high buildings, commercial & residential houses.Applicable standard: GB14048.3, IEC60947-3, Obtained CCC certification.
Normal operating conditions
Ambient air temperature: -25°C~+60°C
Altitude: not higher than 2000m
Pollution degree: 2.
Use category: AC-22A
Installation category: II, III
Switch normally mounted vertically (upper line), the handle is pushed up together, contact connected;
pull down the contacts are open, then the handle on the lower end of the ride and the shell hoop hook fastened to avoid accidental closing.
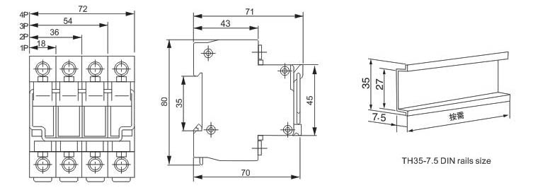
Installation: TH35-7.5 DIN rail Connection: screw clamping wiring, torque: 2.0Nm
Model
Main technical data
Main specifications
Rated Current Ie: 32A, 63A.
Poles: 1P, 2P.
Technical parameters
Rated insulation voltage Ui: 500V;
Rated operating voltage Ue: 230V
Rated operating current Ie: 32A, 63A.
Rated impulse withstand voltage Uimp: 4kV (2000m);
Rated short time withstand current Icw: 12Ie, power-on time 1s;
Rated short-circuit making capacity Icm: 20Ie, power-on time 0.1s;
Rated making and breaking capacity: 3Ie, 1.05Ue, COSφ = 0.65;
Operating performance: Mechanical life 8500 times, electrical life 1500 times.

External And Installation Size


中文
ENGLISH
Email:
website:
Service hotline





