Print current pageProduct Description
- brief introduction
- technical parameter
- Product size
Application
Model ZMM18S single phase electronic DIN rail active energy meter is a kind of new style single phase two wire active energy meter, it adopts micro electronics technique, and imported large scale integrate circuit, use advanced technique of digital and SMT techniques, etc. It has minimum size, and also a new single phase two wire active energy meter. It has already passed the test of the international authority CE. The meter completely accord with relevant technical requirements of class 1 single phase active energy meter stipulated in international standard IEC 62053-21. It can accurately and directly measure 50Hz or 60Hz active energy consumption from single phase AC electricity net. This meter has white back light source eight digits LCD monitors shows the ?active energy power consumption. It has following ?features: Good reliability, small volume, light weight, specious nice appearance, convenient installation, etc.
Function and Features
1. 35mm standard DIN rail installation, complying with standard DIN EN50022.
2. Single pole width (Modules 18mm), complying with standard DIN43880.
3. Standard configuration 6+1 digits display (999999.1kWh) by step and machinery counter, May select 5+1?digits display (99999.1kWh).
4. Standard configuration pulse output with no power ?complying with standard IEC 62053-31 and ?DIN 43864.
Main Technical data
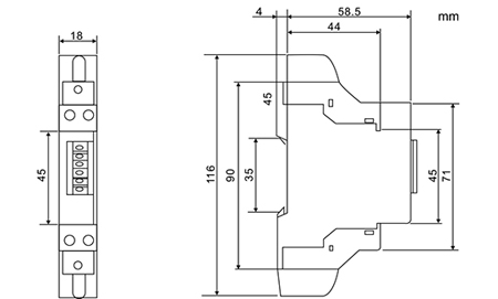
External And Installation Size


中文
ENGLISH
Email:
website:
Service hotline





